Магазин запчастей для бытовой техники - Arlos
Москва
close
Выберите ваш регион
АбаканАлександровАльметьевскАнгарскАрзамасАрмавирАртемАрхангельскАстраханьАчинскБалаковоБалашихаБеларусьБелгородБердскБерезникиБийскБлаговещенскБратскБрянскВеликий НовгородВидноеВладивостокВладикавказВладимирВолгоградВолгодонскВолжскийВологдаВолховВоркутаВоронежВоскресенскВыборгГатчинаГеленджикГрозныйДедовскДербентДзержинскДзержинскийДимитровградДмитровДолгопрудныйДомодедовоДонецкЕвпаторияЕгорьевскЕкатеринбургЕлецЕссентукиЖелезногорскЖелезнодорожныйЖуковскийЗеленоградЗлатоустИвановоИвантеевкаИжевскИркутскИстраЙошкар-ОлаКазаньКалининградКалугаКаменск-УральскийКамышинКаспийскКемеровоКерчьКировКисловодскКлинКовровКоломнаКомсомольск-на-АмуреКопейскКоролёвКостромаКотельникиКрасногорскКраснодарКраснознаменскКрасноярскКурганКурскКызылЛенинск-КузнецкийЛипецкЛобняЛыткариноЛюберцыМагнитогорскМайкопМалаховкаМахачкалаМиассМоскваМурманскМуромМытищиНабережные ЧелныНазраньНальчикНаро-ФоминскНахабиноНаходкаНевинномысскНефтекамскНефтеюганскНижневартовскНижнекамскНижний НовгородНижний ТагилНовокузнецкНовокуйбышевскНовомосковскНовороссийскНовосибирскНовоуральскНовочебоксарскНовочеркасскНовошахтинскНовый УренгойНогинскНорильскНоябрьскОбнинскОдинцовоОктябрьскийОмскОрелОренбургОрехово-ЗуевоОрскПавловский ПосадПензаПервоуральскПермьПетрозаводскПетропавловск-КамчатскийПодольскПрокопьевскПсковПушкиноПятигорскРаменскоеРеутовРостов-на-ДонуРубцовскРыбинскРязаньСакиСалаватСамараСанкт-ПетербургСаранскСаратовСевастопольСеверодвинскСеверскСергиев ПосадСерпуховСимферопольСмоленскСосновый БорСочиСтавропольСтарый ОсколСтерлитамакСтупиноСургутСызраньСыктывкарТаганрогТамбовТверьТихвинТольяттиТомилиноТомскТроицкТулаТюменьУлан-УдэУльяновскУссурийскУсть-ИлимскУфаУхтаФеодосияФрязиноХабаровскХанты-МансийскХасавюртХимкиЧебоксарыЧелябинскЧереповецЧеркесскЧеховЧитаШахтыЩелковоЭлектростальЭлистаЭнгельсЮжно-СахалинскЯкутскЯлтаЯрославль
  • - бесплатно по РФ
    Автоперезвон. Работает по принципу: Вы позвонили на номер, мы сбрасываем звонок и перезваниваем через 3 секунды.
  • - по Москве
  • 8 (925) 663-83-63

Call-центр

пн-вс: 10:00-19:00

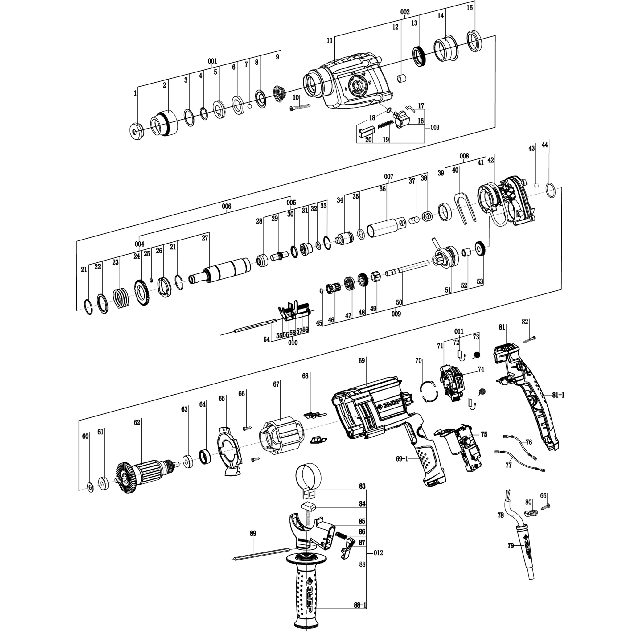
Перфоратор SDS-plus ЗП-22-650 К

Данная модель имеет несколько схем

NАртикулНазваниеСрок отгрузкиЦенаКупить
1 N000-016-300 Пыльник ствола 86 р.
1-9 U351-900-017 Шарик стальной D7.14 U351-900-017 84 р.
1.20 U009-608-RS0 Подшипник шариковый 608-2RS (22х8х7) U009-608-RS0 для пил ЗПС-850 Э, ЗПТ-210-1300-Л 306 р.
2 N000-016-301 Кожух патрона 81 р.
3 N000-016-302 Прокладка 32 р.
4 U351-801-004 Кольцо фиксирующее D32xd21x4 U351-801-004 для ЗП-470Э, ЗП-28-800 К 91 р.
4 N000-016-303 Кольцо стопорное 39 р.
5 N000-016-304 Шайба фиксирующая 37 р.
006 N000-016-364 Ствол в сборе 1.277 р.
8 N000-016-305 Шайба фиксирующая 92 р.
009 N000-017-147 Промвал в сборе 1.059 р.
9 N000-016-306 Пружина коническая D31xd19.5xh22 32 р.
010 N000-016-343-C Механизм переключения в сборе 189 р.
11 N000-016-307 Корпус редуктора 584 р.
012 N000-016-299 Рукоятка дополнительная в сборе # 422 р.
12 U010-081-000 Подшипник игольчатый HK0810 (12x8x10) U010-081-000 для ЗДМ-1200Р, ЗПМ-1300Э 114 р.
13 U351-800-012 Сальник D35хd25х7 189 р.
14 N000-016-775 Втулка ствола 55 р.
15 U351-800-015 Фиксатор переключателя 13.5x10.5x31.5 U351-800-015 для ЗП-650ЭК, ЗП-28-800 К 92 р.
15С N000-016-309 Втулка ствола в сборе с кольцом 69 р.
16 U351-800-019 Ручка переключателя 25,9xD 36 мм U351-800-019 для ЗП-650ЭК, ЗП-28-800 К 92 р.
16 U351-800-016 Пружина фиксатора D6xh44.2 U351-800-016 для ЗП-650ЭК, ЗП-28-800 КМ 92 р.
17 U351-800-018 Кольцо уплотнительное D16хd11хh2.5 U351-800-018 для ЗП-650ЭК, ЗП-28-800 КМ 162 р.
17 N000-016-310 Штифт фигурный 102 р.
21 N000-016-311 Кольцо стопорное разрезное
22 N000-016-312 Шайба
23 N000-016-313 Пружина
24 N000-016-314 Шестерня ведомая 378 р.
25 N000-016-315 Штифт d2.5xh11.7 96 р.
26 N000-016-316 Полумуфта кулачковая предохранительная V.1 132 р.
27 N000-016-317 Ствол V.1 267 р.
28 N000-016-318 Втулка ударника D20.7xh14 мм V.1 148 р.
29 N000-016-319 Ударник d9(D14)хL34 V.1 N000-016-319 для перфоратора ЗП-22-650 К 68 р.
30 N000-016-320 Уплотнитель ударника D21.5xd14.5xh3.5 мм V.1 102 р.
31 N000-016-321 Ловитель V.1 124 р.
32 N000-016-322 Кольцо уплотнительное D15.2хd10хh2.6 V.1 92 р.
33 N000-016-323 Кольцо стопорное разрезное D25xd22xh1.5 V.1 92 р.
34 N000-016-324 Боек 151 р.
35 N000-016-325 Кольцо уплотнительное D20хd14хh3 68 р.
36 N000-016-326 Поршень 324 р.
37 N000-016-327 Палец поршневой D10х19 68 р.
38 N000-016-328 Шайба 102 р.
39 N000-016-329 Втулка промщита 123 р.
40 N000-016-330 Фиксатор промвала 89 р.
41 N000-016-331 Промщит 570 р.
42 N000-016-332 Уплотнитель промщита 68 р.
43 N000-016-273 Уплотнитель войлочный D7,5хH4,5 68 р.
44 N000-016-333 Кольцо уплотнительное D26хd21.2хh2.4 32 р.
45 N000-016-334 Кольцо стопорное разрезное 50 р.
46 N000-016-335 Шестерня 105 р.
47 N000-016-336 Муфта 1 122 р.
48 N000-016-337 Муфта 2 122 р.
49 N000-016-338 Втулка шлицевая 141 р.
50 N000-016-339 Вал 214 р.
51 N000-016-340 Подшипник качающийся (пьяный) 526 р.
52 N000-016-341 Подшипник игольчатый HK0812 (12х12x8) 189 р.
53 N000-016-342 Шестерня Z=30 196 р.
54 N000-016-343 Ось 71 р.
55 N000-016-344 Планка упорная Z=6 64 р.
56 N000-016-345 Пружина D6.7x0.9xh14 39 р.
57 N000-016-346 Планка упорная 93 р.
58 N000-016-347 Пружина D7.2xd1xh23 39 р.
59 N000-016-348 Планка упорная 92 р.
60 N000-016-349 Подшипник шариковый 608-RS c шайбой (22х8х7.5) n/n 169 р.
62 N000-016-350 Ротор 1.275 р.
63 N000-016-351 Подшипник шариковый 698-2Z (19х8х6) n/n 169 р.
64 U351-800-061 Втулка подшипника 607 резиновая 92 р.
65 N000-016-352 Защита статора 2.875 р.
67 N000-016-353 Статор 1.054 р.
68 N000-016-354 Клемма
69 N000-016-355 Корпус двигателя 616 р.
70 V000-003-248 Выключатель ~250V V000-003-248 для перфораторов ЗП-18-470, ЗП-28-800 КМ 925 р.
70 N000-016-356 Пластина контактная 175 р.
71 N000-016-357 Щеточный узел 260 р.
72 N000-016-358 Щетка графитовая (пара) N000-016-358 для П-30-950 М, ЗП-30-900 К 337 р.
73 N000-016-359 Пружина щеткодержателя D12xL24xh2.5 122 р.
78 N000-016-360 Шнур сетевой
79 N000-016-361 Воротник шнура
80 U351-800-071 Прижим шнура #W
81 N000-016-362 Крышка задняя N000-016-362 для перфораторов ЗП-22-650 К, ЗП-28-800 КМ 278 р.
Найдено товаров: 80
1
▲ Наверх
0
8 (925) 663-83-63

Call-центр

пн-вс: 10:00-19:00

НАЙТИ ПО МОДЕЛИ
Введите номер заказа
Введите номер своего заказа, что бы узнать его текущий статус.
Что бы получить доступ к расширенным функциям, пройдите не сложную регистрацию. Зарегистрироваться